Aşağıdaki modelleri sunmaktayız:
RAL = Makara dış yatağı, miller için dış kapaklı bir nihai yatak.
RIL = Makara iç yatağı, 2 parçalı, sürekli miller için.
SPL = Sfenks yatak, kötü hizalanmış millerde tolerans artırımı için askı sabitlemeli dış yatak.
DSL = Sürekli yağlamalı yatak, özel yağlamalı ve hassas bilyeli yataklı nihai yatak.
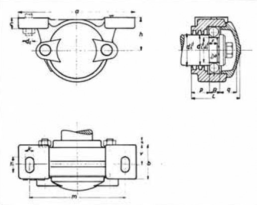
| DSL |
a |
B |
b |
c |
d1 |
d2 |
d3 |
d5 |
D |
e |
f |
h |
k |
k1 |
L |
m |
p |
q |
v |
Gr. Cinsinden
Yağlama Maddesi
Dolumu |
| 6207 |
255 |
17 |
55 |
18 |
35 |
40 |
42 |
M16 |
72 |
10 |
15 |
50 |
19 |
27 |
76 |
210 |
28,5 |
20 |
27,5 |
50 |
| 6208 |
255 |
18 |
55 |
18 |
40 |
45 |
47 |
M16 |
80 |
10 |
16 |
55 |
19 |
27 |
76 |
210 |
28,5 |
20 |
27,5 |
65 |
| 6309 |
270 |
25 |
70 |
23 |
45 |
55 |
57 |
M16 |
100 |
8 |
23 |
70 |
20 |
32 |
95 |
210 |
32,5 |
31 |
40 |
75 |
| Ölçü bilgileri mm cinsindendir. |
|
|
|
|
|
|
|
|
|
|
|
|
|
|
|
|
|
|
|